Profibus Stecker Abschlusswiderstand

Cd Elelctronic Profibus Stecker

Betriebsanleitung Nx Frequenzumrichter Profibus Dp Optionskarte Pdf Kostenfreier Download
Siemens Profibus Stecker Busanschlussstecker Rs485 6gk1 500 0fc10 Webshop Maschinen Und Werkzeuge Benad

D Sub Stecker
Www Indu Sol Com Fileadmin User Upload Produkte Profibus Infrastrukturkomponenten Stecker M12stecker Abschlusswiderstandbuchse Indu Sol M12 Abschlusswiderstand Buchse B Codiert Pdf

Ohne Pg Helmholz
Die 18 Serie verfügt über jeweils eine Buchse und einen Stecker, dh hier wird der PROFIBUS in dem Modul weitergeleitet Die Versorgungsspannung (5 V DC) für den AbschlussWiderstand liegt nur auf der Buchse an Der AbschlussWiderstand ZS steht nur als Stecker zur Verfügung!.

Profibus stecker abschlusswiderstand. Profibus Stecker Bestellangaben Beschreibung ZS 9 pol DSubStecker bis 12 MBaud, mit zuschaltbarem Abschlusswiderstand PECKHOFF Title ZS_de Author DirkB Created Date. On ProfiBus AnschlussStecker ProfiBus Connectors off R on off 74 46 36 16 01 / 08 ProfiBus Stecker PBA 12 MBaud Mit Schraubklemme;. 10 Profibus Encoder Profile Class 2 13 Diese ist über einen 15poligen DSubStecker mit dem Drehgeber verbunden und Einstellung Abschlusswiderstand 712 Busabschluss.
RLM01, PROFIBUS Redundanz Link Modul für Kabelredundanz 3BDZR1 Netzteilfilter (Surge) 24 V DC erforderlich, um die Anforderungen für die Zertifitierung des Germanischen Lloyd (GL) zu erfüllen 3BDZR1 PCO 010, PROFIBUSDP Stecker, Standard, bis 1,5 M 3BDZR1 PCO 011, PROFIBUSDP Stecker mit zu/abschaltbarem. Binder, SUBDStecker für Profibus, zuschaltbarer Abschlusswiderstand, 9polig, Konfektionierung über Schraubanschlüsse Field attachable connector, SUBD male connector for Profibus, switchon terminating resistor, 9 poles, assembling with screw terminals 0976 PMC 501 06/07 wwwlumbergautomationcom (grün / green) A1 (rot / red) B1. Schraubanschlussklemmen Ihre Vorteile Zuschaltbarer Abschlusswiderstand Schraubanschluss Kabelzuführung unter 35°.
Den neuen EPIC® DATA M12 PROFIBUS Stecker gibt es in zwei Varianten mit einem 90°Kabelabgang Der Stecker verfügt über zwei M12Anschlüsse und einem integrierten, zuschaltbaren Abschlusswiderstand Vor elektromagnetischen Störungen schützt ein Metallgehäuse Artikelnummer Artikelbezeichnung EDPB90M12 EDPB90PGM12. Die 18 Serie verfügt über jeweils eine Buchse und einen Stecker, dh hier wird der PROFIBUS in dem Modul weitergeleitet Die Versorgungsspannung (5V DC) für den AbschlussWiderstand liegt nur auf der Buchse an Der AbschlussWiderstand ZS steht nur als Stecker zur Verfügung!. Produktkatalog Siemens Industry Automatisierungstechnik Industrielle Kommunikation PROFIBUS Netzwerkkomponenten für PROFIBUS Elektrische Netzwerke (RS485) Busanschlussstecker RS485.
On ProfiBus AnschlussStecker ProfiBus Connectors off R on off 74 46 36 16 01 / 08 ProfiBus Stecker PBA 12 MBaud Mit Schraubklemme;. PRoFiBUS PAAnwendungen es stehen festen Abschlusswiderstand ausgestattet Durch die integrierte Ausgangsimpedanz können digitale Kommunikation und Gleichstrom zusammen Stecker, redundante Stromversorgung, seitliche Anschlüsse an Basismodul für Spannungsversorgung, schwarz. Being the world's leading fieldbus network, Profibus basics and communication diagnosing knowledge is must for an electrical engineer Different tools for fault finding, monitoring and health checking networks are described in this article Important instruments like Net Test analysis tool and Profibus to serial gateway are described here.
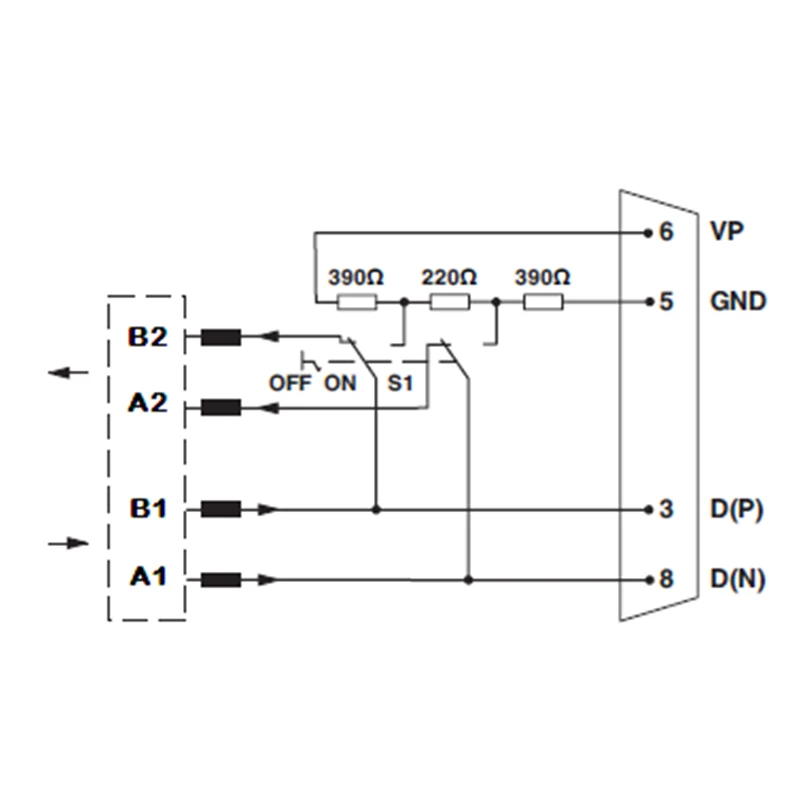
Profibus M12 St gew auf M12 Bu gew geschirmt bcod 2pol 1,5m, PUROB 1x2x0,64 geschirmt violett Part number. Abschlusswiderstand mit Außengewinde TA05TR Abschlusswiderstand mit Innengewinde J Konfektionierbare, 4polige M12Buchse, gewinkelt (Kabelverschraubung PG9) (Profibus 12Mb max) M12Stecker/Buchse, konfektionierbar, 5polig, gewinkelt Kabelverschraubung PG9 – IDCStecker RB05F0PV H Abschlusswiderstand. Am PROFIBUS „ON“ sein (Abschlusswiderstand zugeschaltet) Am Stecker gibt es nur eine eingehende Leitung – OFFSchalterstellung muss für alle weiteren Teilnehmer am PROFIBUS „OFF“ sein (Abschlusswiderstand abgeschaltet) Am Stecker gibt es eine eingehende und abgehende Leitung · Eingehende Kabel werden immerlinks angeschlossen.
DSUBStecker, 9polig, Stift, Kabelzuführung unter 35°, Bussystem PROFIBUS DP bis 12 MBit/s mit PGDSUBBuchse zum Anschluss eines Programmiergeräts, Abschlusswiderstand ü Schiebeschalter zuschaltbar, Pinbelegung 3, 5, 6, 8;. Profibus Bei Busabschluss ist ein Abschlusswiderstand gemäß Profibus Richtlinie zu verwenden Weitere Daten siehe Profibus Richtlinie (Anschlusstechnik für Profibus) 2 1 5 4 3 Kontaktbelegung Profibus DP (Signal) Bedeutung Bus In (Stift) Bus Out (Buchse) Shield Schirm bzw Funktionserde M12Gewinde und 5 M12Gewinde und 5. PROFIBUS ist nach dem Baukastenprinzip an unterschiedlichste Applikationen anpassbar und zeigt seine Stärken in allen Segmenten der Fertigungsautomatisierung und der Prozessindustrie Der weltweit bewährte Feldbus kann in allen Teilschritten der Produktionsprozesse und über alle Prozessschritte eingesetzt werden.
Produktkatalog Siemens Industry Automatisierungstechnik Industrielle Kommunikation PROFIBUS Netzwerkkomponenten für PROFIBUS Elektrische Netzwerke (RS485) Aktives RS 485Abschlusselement. PROFIBUS Netze 1 Topologien von SIMATIC NET PROFIBUSNetzen 2 Netzprojektierung 3 Aktive Komponenten 4 Leitungen für PROFIBUS RS 485Netze 5 Busanschlussstecker und. The PROFIBUS connector 90° is equipped with a proven and reliable screw terminal It is quickly mounted and has integrated, connectable terminating resistors For improved EMC compatibility, the housing of the plug is metalized The PROFIBUS connector works in the extended ambient temperature range of 25 °C to 85 °C.
Profibus, Profinet und Profisafe Feldbus offenes EthernetProtokoll mit großer Verbreitung. RLM01, PROFIBUS Redundanz Link Modul für Kabelredundanz 3BDZR1 Netzteilfilter (Surge) 24 V DC erforderlich, um die Anforderungen für die Zertifitierung des Germanischen Lloyd (GL) zu erfüllen 3BDZR1 PCO 010, PROFIBUSDP Stecker, Standard, bis 1,5 M 3BDZR1 PCO 011, PROFIBUSDP Stecker mit zu/abschaltbarem. PROFIBUSKabel Typ Fast Connect, bis 12 MBit/s (02YSY (ST)CY 1x2x22 AWG) Datenstecker DSUBBusstecker SUBCONPLUSPROFIB/PG/SC2 DSUBStecker, 9polig, Stift, Kabelzuführung unter 35°, Bussystem PROFIBUS DP bis 12 MBit/s mit PGDSUBBuchse zum Anschluss eines Programmiergeräts, Abschlusswiderstand ü Schiebeschalter zuschaltbar,.
Informationen zu Profibus und Downloads für PROFIBUS DP und das Profil "Profile for Intelligent Pumps" finden sich unter wwwProfibuscom Weiteres Zubehör zum ProfibusModul wie M12Stecker und Abschlusswiderstand. We are using Siemens Slot Type PLC ( S7 412 ) , with 8 Siemens Nodes and 3 OP 77 Display with Vipa Profibus connector with LED indicationLast termination is done at OP77 at the final Node, in Profibus connector ERR LED is ON and OFF only when the mac. Leitung PROFIBUS DP, paarweise verdrillt, PUR, halogenfrei, geschirmt, 10 m DOL15W10MQ Kopf A Stecker, M12, 5polig, gerade, Bkodiert Kopf B loses Leitungsende Leitung PROFIBUS DP, paarweise verdrillt, PUR, halogenfrei, geschirmt, 5 m Aderabschirmung ALPTFolie, Gesamtschirm CSchirm verzinnt STL15G05MQ.
Jeder PROFIBUS ILM verfügt über einen optischen und einen elektrischen Kanal mit je einem Sender – und Empfängerteil Der sendende PROFIBUS– Teilnehmer generiert ein elektrisches Signal mit RS485 – Pegel, das über die PROFIBUS– Leitung an den PROFIBUS ILM des sendenden PROFIBUS– Teilnehmers gelangt Der. Z101 9poliger DSubStecker für PROFIBUS (12 MBaud) mit zuschaltbarem Abschlusswiderstand und Programmierschnittstelle € BECKHOFFNew Automation Technology Seite 1 von 2 Technische Änderungen vorbehalten. You can only use the PROFIBUS bus connector up to 15 MBaud with terminating connector for the ET 0iS with a PROFIBUSDP Ex iinterface PROFIBUSBusanschlussstecker bis 1,5 MBaud 6ES7 97DA300XA0 mit Abschlusswiderstand PROFIBUS bus connector max 1,5 Mbaud with terminating resistor Connecteur de bus PROFIBUS jusqu’à 1,5 Mbaud.
Profibus M12 St ger auf M12 Bu ger geschirmt bcod 2pol 1,5m, PUROB 1x2x0,64 geschirmt violett Part number pro Piece 33,50 EUR. MontageAnleitungAnschließen des #PROFIBUS Steckers #Easyconn von #profichip an ein PROFIBUS Kabel. Am PROFIBUS „ON“ sein (Abschlusswiderstand zugeschaltet) Am Stecker gibt es nur eine eingehende Leitung – OFFSchalterstellung muss für alle weiteren Teilnehmer am PROFIBUS „OFF“ sein (Abschlusswiderstand abgeschaltet) Am Stecker gibt es eine eingehende und abgehende Leitung · Eingehende Kabel werden immerlinks angeschlossen.
PRoFiBUS PAAnwendungen es stehen festen Abschlusswiderstand ausgestattet Durch die integrierte Ausgangsimpedanz können digitale Kommunikation und Gleichstrom zusammen Stecker, redundante Stromversorgung, seitliche Anschlüsse an Basismodul für Spannungsversorgung, schwarz. ProfibusAbschlusswiderstand, M12Stecker, 4polig, odiert E ProfibusKabel, M12Stecker / M12Kupplung, 2 m, PURKabel E ProfibusKabel, M12Buchse / M12Kupplung, 10 m, PURKabel E Zubehör Bauform Ausführung BestellNr Weitere Kabellängen auf Anfrage Verbindungskabel, M8, 0,3 m, orange, PVCKabel EVT196 Verbindungskabel, M8,. The Profibus Connectors Series 6ES7 972 are used for connection of electrical equipment to the ProfibusThe connectors contain end resistors and switches to connect or disconnect the (mit Abschlusswiderstand) 6ES7 97DA30a T6 25°C 60°C Profibusstecker.
Die 18 Serie verfügt über jeweils eine Buchse und einen Stecker, dh hier wird der PROFIBUS in dem Modul weitergeleitet Die Versorgungsspannung (5 V DC) für den AbschlussWiderstand liegt nur auf der Buchse an Der AbschlussWiderstand ZS steht nur als Stecker zur Verfügung!. (3) Stecken Sie den SUB–D–Stecker auf die SUBDBuchse (4) Schrauben Sie den SUB–D–Stecker fest (5) Achten Sie auf eine ausreichende Zugentlastung der angeschlossenen Leitungen Das Erweiterungsmodul PROFIBUS DPV1 wird mit einer Projektierungsssoftware, z B STEP 7, dem PROFIBUS DP Mastersystem zugeordnet Die dafür. Eines Netzwerks befindet, muss ein PROFIBUSStecker miteingebautem Abschlusswiderstand verwendet werden, da das FX 3U 32DP nicht mit einem integriertem Abschlusswiderstand ausgestattet ist.
Trennübertrager 9185 Der Abschlusswiderstand ist eingebaut und schaltbar Für nicht eigensichere RS485 0,001 SubDStecker, gewinkelt 124E00 9polig zum Anschluss von Feldbus bzw ServiceBus an CPU & Power Module Typ 9440/12 und Feldbus Trennübertrager 9185 Der Abschlusswiderstand ist eingebaut Für RS485 IS (nach PNO Standard. Die 18 Serie verfügt über jeweils eine Buchse und einen Stecker, dh hier wird der PROFIBUS in dem Modul weitergeleitet Die Versorgungsspannung (5V DC) für den AbschlussWiderstand liegt nur auf der Buchse an Der AbschlussWiderstand ZS steht nur als Stecker zur Verfügung!. ProfibusSteckern 6ES797B00XA0 und 6ES797B00XA0 sind diese Maße direkt in das Gehäuse des Steckers eingearbeitet Damit dient der Stecker gleichzeitig als Lehre Der Anwender kann aus dem Bild auf dem Stecker die korrekten Maße entnehmen und diese überprüfen und zwar durch Anlegen des abisolierten Kabels an der Kante des Ste.
Ob Sie die Störsicherheit Ihres PROFIBUSNetzwerks verbessern möchten, alternative Medien wie Lichtwellenleiter oder Funk einsetzen wollen oder einfach nur ein komplettes Angebot industrieller Infrastrukturkomponenten suchen Mit den Produkten von Phoenix Contact realisieren Sie die weltweit besten PROFIBUSSysteme. Binder, SUBDStecker für Profibus, zuschaltbarer Abschlusswiderstand, 9polig, Konfektionierung über Schraubanschlüsse Field attachable connector, SUBD male connector for Profibus, switchon terminating resistor, 9 poles, assembling with screw terminals 0976 PMC 501 06/07 wwwlumbergautomationcom (grün / green) A1 (rot / red) B1. In der Praxis fehlen kostengünstige Kommunikationsschnittstellen bzw BusRepeater für ein in Echtzeit betreibbares Automatisierungssystem, welche eine individuelle, insbesondere automatisch anpassbare, interaktive Systemerweiterung und Kommunikation sicherstellen Um einen BusRepeater und ein Verfahren zur Systemerweiterung eines Automatisierungssystems derart auszugestalten, dass der.
Jeder PROFIBUS ILM verfügt über einen optischen und einen elektrischen Kanal mit je einem Sender – und Empfängerteil Der sendende PROFIBUS– Teilnehmer generiert ein elektrisches Signal mit RS485 – Pegel, das über die PROFIBUS– Leitung an den PROFIBUS ILM des sendenden PROFIBUS– Teilnehmers gelangt Der. Den PROFIBUSBusanschlussStecker mit der Gerätekategorie 3G dürfen Sie im explosionsgefährdeten Bereich der Zone 2 einsetzen Baugruppenspezifische Daten Schnittstelle RS 485 Abschlusswiderstand the PROFIBUS zuschaltbar integriert Spannungen, Ströme, Potenziale Potenzialtrennung • Kazwischen Kabelschirm und A1, B1). Wenden Sie bitte nur einen PROFIBUSStecker und eine abgeschirmte und paarig verdrillte PROFIBUSLeitung, die der Norm EN entspricht Hinweise zur Verdrahtung Die Leitungen zu den Ein und Ausgangsmodulen sollten so weit wie möglich von der PROFIBUS/DPLeitung entfernt sein Anschluss der PROFIBUS/DPLeitung Abschlusswiderstand.
Den neuen EPIC® DATA M12 PROFIBUS Stecker gibt es in zwei Varianten mit einem 90°Kabelabgang Der Stecker verfügt über zwei M12Anschlüsse und einem integrierten, zuschaltbaren Abschlusswiderstand Vor elektromagnetischen Störungen schützt ein Metallgehäuse Artikelnummer Artikelbezeichnung EDPB90M12 EDPB90PGM12. Profibus Stecker Bestellangaben Beschreibung ZS 9 pol DSubStecker bis 12 MBaud, mit zuschaltbarem Abschlusswiderstand PECKHOFF Title ZS_de Author DirkB Created Date. ProfibusStecker, 90°, Schraubtechnik, mit PG Integrierter schaltbarer Abschlusswiderstand 90°Kabelabgang Bewährte Schraubtechnik Auch in Verpackungseinheiten von 10 bzw 50 Stück erhältlich Die maximale Umgebungstemperatur für UL beträgt 60° C integrierte PGSchnittstelle.
Title 97DP10, 1, de_DE Author MStich Subject Keywords stylesheet derivat version 5119 15 stylesheet core version 5119 15. Wenden Sie bitte nur einen PROFIBUSStecker und eine abgeschirmte und paarig verdrillte PROFIBUSLeitung, die der Norm EN entspricht Hinweise zur Verdrahtung Die Leitungen zu den Ein und Ausgangsmodulen sollten so weit wie möglich von der PROFIBUS/DPLeitung entfernt sein Anschluss der PROFIBUS/DPLeitung Abschlusswiderstand. Verwenden Sie für den PROFIBUSAnschluss nur handelsübliche PROFIBUSStecker Befindet sich Ihr SPI 3 am Anfang oder Ende der Busleitung, so verwenden Sie Stecker, die einen integrierten Abschlusswiderstand haben Um sicherzustellen, dass der SPI 3 einwandfrei funktioniert, erden Sie den Schirm des PROFIBUSKabels.
Whether you want to improve your PROFIBUS network's immunity to interference, want to use alternative media such as fiber optics or wireless or you are simply looking for a complete range of industrial infrastructure components with products from Phoenix Contact, you can create the best PROFIBUS systems in the world. ProfiBus AnschlussStecker ProfiBus Connectors on off R on off 74 46 36 16 01 / 08 ProfiBus Stecker PBA IDC Mit Schneidklemme ProfiBus connector PBA IDC With IDC Abschlusswiderstand End of Bus Verbindungsstecker mit Schalter (ON/OFF) für zuschaltbaren Abschlusswiderstand. 9polig Abschlusswiderstand End of Bus Verbindungsstecker mit Schalter (ON/OFF) für zuschaltbaren Abschlusswiderstand.
9polig Abschlusswiderstand End of Bus Verbindungsstecker mit Schalter (ON/OFF) für zuschaltbaren Abschlusswiderstand.

Profibus Nutzerorganisation E V Ppt Herunterladen
Www Phoenixcontact Com Assets Downloads Ed Global Web Dwl Promotion De De Profibus Complete Lores Pdf
Www Phoenixcontact Com Assets Downloads Ed Global Web Dwl Promotion De De Profibus Complete Lores Pdf

Profibus Feldbusstecker 750 972 Wago At
Www Traeger De Downloads Doc View 35 Handbuch Profibusstecker

Phoenix Contact Sensor Aktor Steckverbinder Zubehor M12 Abschlusswiderstand Buchse Polzahl 5 5 St Kaufen

Adapter M12 Sub D Profibusst Sub M Profibusst Sub M12 35 Kompakt Profibusst Sub M12 Pg 35 Kompakt Profibusst Sub M12 90 Kompakt Pdf Kostenfreier Download
Www Indu Sol Com Fileadmin User Upload Produkte Profibus Infrastrukturkomponenten Stecker M12stecker Abschlusswiderstandbuchse Indu Sol M12 Abschlusswiderstand Buchse B Codiert Pdf

Beckhoff Information System German

Busabschlussbuchse Fur Profibus Im Murrelektronik Shop

Metall Profibus Stecker Easyconn Mit Diagnose Leds 90 Grad Mhj Software Gmbh Co Kg

Can Bus Stecker Cba Bis 1 Mbaud Pin Belegung Technische Daten Manualzz

6es7972 0ba42 0xa0 Siemens Simatic Dp Anschl Steck F Profibus O Pg Buchse

D Sub Stecker

Produkte Peres Gmbh
E Abschlusswiderstand Fur Profibus Dp Ifm Electronic
2

Kommunikation Uber Die Rs485 Schnittstelle Janitza Electronics

6es7972 0ba42 0xa0 Siemens Simatic Dp Anschl Steck F Profibus O Pg Buchse

Adapter M12 Sub D Profibusst Sub M Profibusst Sub M12 35 Kompakt Profibusst Sub M12 Pg 35 Kompakt Profibusst Sub M12 90 Kompakt Pdf Kostenfreier Download

Profibus Komponenten Kabel Stecker Repeater Mehr Indu Sol

Adapter M12 Sub D Profibusst Sub M Profibusst Sub M12 35 Kompakt Profibusst Sub M12 Pg 35 Kompakt Profibusst Sub M12 90 Kompakt Pdf Kostenfreier Download

Profibus Stecker Sub D 90 Im Murrelektronik Shop
Www Traeger De Downloads Doc View 35 Handbuch Profibusstecker
Www Traeger De Downloads Doc View 35 Handbuch Profibusstecker

C Dias Profibus Dp Slavemodul Cpb Pdf Kostenfreier Download
2

Profibus Stecker Axial Easyconnect Helmholz
2

Vipa 972 0dp01 Fs Profibus Stecker 90 Grad Kabelabgang Ebay

Nettest Ii Profibus Analyse Und Testtool Ppt Herunterladen
E Abschlusswiderstand Fur Profibus Dp Ifm Electronic

Profibus Stecker Pb 1 5 Mbaud Profibus Connector Pb 1 5 Mbaud Pin Belegung Manualzz

D Sub Stecker

Profibuskonfektion M12 Stecker Abschlusswiderstand Gunstig Kaufen Ebay

Aktiver Profibus Abschlusswiderstand T1

Ohne Pg Helmholz
Siemens Profibus Stecker Busanschlussstecker Rs485 6gk1 500 0fc10 Webshop Maschinen Und Werkzeuge Benad

Busabschlussbuchse Fur Profibus Im Murrelektronik Shop

Beckhoff Information System German

Nettest Ii Profibus Analyse Und Testtool Ppt Herunterladen

Kommunikation Uber Die Rs485 Schnittstelle Janitza Electronics
Abschlusswiderstand Im Profibus

Abschlusswiderstand Profibus M12 Stecker
Www Traeger De Downloads Doc View 35 Handbuch Profibusstecker
Asset Conrad Com Media10 Add C1 De ds01 Fiche Technique 2106 Connecteur Sub D Weidmueller Pb Dp Sub D M12 180 Os 1 Pcs Pdf
2
Siemens Profibus Stecker Busanschlussstecker Rs485 6gk1 500 0fc10 Webshop Maschinen Und Werkzeuge Benad

Ohne Pg Helmholz

Beckhoff Information System German
2
Http Www Knap At Datenblaetter Ste Ste Del Pb 12mb Pdf

Profibus Komponenten Kabel Stecker Repeater Mehr Indu Sol

Profibus Feldbusstecker 750 960 Wago

6es7972 0bb12 0xa0 Siemens Simatic Dp Profibusstecker 90 Grad M Pg Buchse

M12 Busabschlussstecker Fur Profibus Im Murrelektronik Shop

Neuer Fastconnect Stecker Mit Schragem Kabelabgang Lieferbar Id Industry Support Siemens

Ifm Electronic E Profibus Terminat Resistor Abschlusswiderstand Stecker Gerade M12 5 Polig Ac Dc Silikonfrei Halogenfrei K Rexel Germany
Wie Schliessen Sie Rs485 Rs422 Schnittstellen Von Simatic Und Siplus Baugruppen Fu Id Industry Support Siemens

Profibus Gateway
Www Indu Sol Com Fileadmin User Upload Produkte Profibus Infrastrukturkomponenten Stecker M12stecker Abschlusswiderstandbuchse Indu Sol M12 Abschlusswiderstand Buchse B Codiert Pdf

Mit Pg Helmholz

Produktinformation Gateway Zum Anschluss Von Endat Messgeraten An Profibus Dp Pdf Kostenfreier Download

Ohne Pg Helmholz

9 Poliger D Sub Stecker Fur Profibus 12 Mbaud Mit Zuschaltbarem Abschlusswiderstand Pdf Kostenfreier Download

Deutsche Gesellschaft Fur Zerstorungsfreie Prufung E V Pdf Kostenfreier Download

Seite 266 Von Epic Industriesteckverbinder Themenkatalog 17

Profibusstecker Gerade
2
Www Phoenixcontact Com Assets Downloads Ed Global Web Dwl Promotion De De Profibus Complete Lores Pdf

Kommunikation Uber Die Rs485 Schnittstelle Janitza Electronics

Mit Pg Fur Starre Oder Flexible Kabel Helmholz

Profibus Feldbusstecker 750 960 Wago

Metall Profibus Stecker Easyconn Mit Diagnose Leds 45 Grad Mhj Software Gmbh Co Kg

Busabschluss Fur Rs 485

Verkabelung Profibus Stecker Optimieren Installation Und Setzen Standards Die Handhabung Muss Es Richten Kem

Profibus Schnittstelle Anschlusse Mdp Rcf001 Industrielle Kommunikation Stecker 9 Pos D Sub Flanschstecker Connector Industrial Connector Socketsocket Connector Aliexpress
Wie Schliessen Sie Rs485 Rs422 Schnittstellen Von Simatic Und Siplus Baugruppen Fu Id Industry Support Siemens

Beckhoff Zb3100 Benutzerhandbuch Seiten 1

M12 Busabschlussstecker Fur Profibus Im Murrelektronik Shop
Http Www Vipa Com Uploads Tx Sbdownloader New Hb157d 972 0dpxx 403 01 Pdf
Www Argusline De Img Rembe Downloadbereich Docs Deb Argusline Profibus 180 0 Pdf

D Sub Serviceschnittstelle Profibus Dp Autem

Profibus Komponenten Kabel Stecker Repeater Mehr Indu Sol

D Sub Stecker

Profibus Wartung Und Fehlersuche Www Feldbusse De

Epic Data 16 Von Lapp Kabel Deutschland
Silo Tips Download Applikations Beispiel Profibus Dp

Wie Installiert Man Eine Kommunikationsverbindung Zwischen S7 0 Und Micromaster Id Industry Support Siemens
Support Industry Siemens Com Cs Attachments Ba Asm 456 0 De De Pdf
Phoenix Contact Profibus Stecker Subcon Plus Profib

M12 Busabschluss Stecker Profibus

Deutsche Gesellschaft Fur Zerstorungsfreie Prufung E V Pdf Kostenfreier Download

Siemens Rs485 Abschlusswiderstand Fur Profibus Mpi 6es7972 0da00 0aa0 Ebay