Labview Daqmx Examples
Implementing I2c Or Spi With Pxi6508 In Labview
Example Of Writing A Data Acquisition Program In Labview

Example Daq Serial And Ni Daq Vi

Dice Game Program Hints

Daq In Labview

How To Reduce Memory Consumption In Labview Data Acquisition Applications
You can request repair, schedule calibration, or get technical support A valid service agreement may be required Open a service request.

Labview daqmx examples. Figure 1 is the example code for data acquisition If you have LabVIEW 09 or higher, you can copy the code to the block diagram (save it as a PNG file and drop the file on to the block diagram) All the DAQmx VIs in the example are polymorphial VIs, whose functions can change according to the selections under the VI icons. NI Package Manager (NIPM) states that the NIDAQmx driver is installed, but I am still missing DAQmx support in LabVIEW NXG NXG seems to have been installed and starts up, but there are no device drivers included with our software This can manifest in any of the following ways The Hardware tab cannot identify or detect my DAQ devices or they are not showing up. The National Instruments Getting Started with NIDAQmx Series is aimed at helping you learn NIDAQmx programming fundamentals Through video and text tutorials, this series will take you from verifying your device's operation in Measurement & Automation Explorer (MAX) to programming data acquisition applications using LabVIEW.
When you install the Measurement Studio NIDAQmx NET class library, example programs are installed by default The location of the Microsoft Visual Basic NET and Visual C# examples are relative to the default installation directory. For example, when using the DAQmx Read VI with the autostart property set to True, the DAQmx Read VI will start the acquisition task and stop the task once the last sample is acquired Free Download NI LabView 19 offline installer full version for Windows PC it enables you to develop, run, debug, and deploy LabVIEW VIs on National Instruments hardware running the Windows Embedded Standard operating system. By going to help, find examples I'll navigate to the hardware input output section, DAQmx, digital input, and since my USB 6001 only supports software time digital IO, I'll select the last example for software timed input This example follows the familiar flow of programming with the DAQmx API.
LabVIEW is a systems engineering software for applications that require test, measurement, and control with rapid access to hardware and dat. A virtual channel is a collection of settings such as a name, a physical channel, input terminal connections, the type of measurement or generation, and can include scaling information In NIDAQmx, virtual channels are integral to every measurement You can create virtual channels with the DAQmx Create Channel VI or with the DAQ Assistant. Once a DAQmx task property is set is impossible to unset it For example, I can reuse the task is the user decides to save the data, in Log and Read mode.
NI PXIe6612 (Windows only) NI USB6356 (Windows only) NI USB6003 (Windows only) NIDAQxmxBase examples Generally, NIDAQmxBase is a light version of NIDAQmx, but this library is multiplatform You can. Both MAX and LabVIEW Project support exporting configurations MAX exports system configuration information, including NIDAQmx devices, tasks, channels, and scales The configuration is exported in the machinereadable nce format. In this class you will explore the fundamentals of data acquisition using sensors, NI data acquisition hardware, and LabVIEW The first part of this class teaches the basics of hardware selection, including resolution and sample rate, and the foundation of sensor connectivity, including grounding and wiring configurations The second part of this class focuses on using the NIDAQmx driver to.
On the Menu Bar, click Help >> Find Examples Then there are two options to get to examples In the Browse tab expand Hardware Input and Output Then Select DAQmx;. 请注意,DAQmx驱动程序组件(如DAQmx运行时)可能会显示为安装在NIPM中,即使尚未安装DAQmx对LabVIEW NXG的支持。 如果LabVIEW NXG支持已成功安装,那么NIDAQmx对LabVIEW NXG组件的支持将会出现,如下图2所示。. A virtual channel is a collection of settings such as a name, a physical channel, input terminal connections, the type of measurement or generation, and can include scaling information In NIDAQmx, virtual channels are integral to every measurement You can create virtual channels with the DAQmx Create Channel VI or with the DAQ Assistant.
To run examples without hardware installed, you can use an NIDAQmx simulated device In MAX, refer to the Measurement & Automation Explorer Help for NIDAQmx by selecting Help»Help Topics» NIDAQmx for information on NIDAQmx simulated devices. Taking an NIDAQmx Measurement in LabVIEW—This tutorial teaches you how to take an NIDAQmx measurement in LabVIEW 7x or later using the DAQ Assistant The DAQ Assistant is a graphical interface for configuring measurement tasks, global virtual channels, and scales You also can use the DAQ Assistant to generate NIDAQmx code from the task. Select LabVIEW NXG Suite and click the green Install button Select LabVIEW NXG and.
Example Programs are working examples produced with NI products that can be downloaded and utilized as a starting point for your own projects or applications All Example Programs are reviewed by an NI Example Programs Gatekeeper Before submitting an example program, we recommend you first review the Example Programs Style Guidelines. DAQmx SelfTest Function prototype int32 DAQmxSelfTestDevice (const char deviceName) Example int selfTestResult = DAQmxSelfTestDevice("Dev1");. In LabVIEW, one NIDAQmx Property Node can be used to write to and/or read from multiple properties For example, the following LabVIEW NIDAQmx Timing Property Node sets the source of the sample clock Then, the source of the sample clock is read Finally, the active edge of the sample clock is set.
This article shows how to locate example or sample code to program an NIDAQmx driver in ANSI C, C, NET, VB 6, LabVIEW, or LabVIEW NXG It also explains what to do if the examples are missing from the specified folders. The NIDAQmx installer has some examples set to install by default If you find the examples missing you may follow these recommendations If you are installing NIDAQmx on your computer for the first time If you are installing these files as part of the original DAQmx installation with LabVIEW, then you will be prompted to restart your. Otherwise be identical Simply choose the LabVIEW editor with which you are most comfortable Passing the CLAD exam using either editor earns the same CLAD Certification You cannot use LabVIEW or any other resources during the exam The CLAD exam provides screenshots from the LabVIEW environment and LabVIEW Help where appropriate.
About The nidaqmx package contains an API (Application Programming Interface) for interacting with the NIDAQmx driver The package is implemented in Python This package was created and is supported by NI The package is implemented as a complex, highly objectoriented wrapper around the NIDAQmx C API using the ctypes Python library nidaqmx 05 supports all versions of the NIDAQmx driver. You are also asked to study your first module out of the Data Acquisition Using NIDAQmx and LabVIEW course Be careful which module you view here as I am asking you to watch the first module in the DAQmx section of this course This module gives a rather indepth overview of how to use the DAQmx API. Explore the fundamentals of data acquisition using sensors, NI data acquisition hardware, and LabVIEW Learn the basics of hardware selection, including resolution and sample rate, and the foundation of sensor connectivity, including grounding and wiring configurations Use the NIDAQmx driver to measure, generate, and synchronize data acquisition tasks.
LabVIEW is a systems engineering software for applications that require test, measurement, and control with rapid access to hardware and dat. 측정 시스템을 LabVIEW 7 Express와 NIDAQ 70버전으로 업그레이드 하고 있습니다 LabVIEW 60과 NIDAQ 693을 삭제 한 후, LabVIEW 7 Express와 NIDAQ 70을 설치했습니다 Measurement & Automation Explorer (MAX) 프로그램에서, SCXI 장치가 인식된 것을 확인하였습니다LabVIEW에서 DAQmx Create Virtual Channelvi를 사용하여 버추얼. NI Package Manager (NIPM) states that the NIDAQmx driver is installed, but I am still missing DAQmx support in LabVIEW NXG NXG seems to have been installed and starts up, but there are no device drivers included with our software This can manifest in any of the following ways The Hardware tab cannot identify or detect my DAQ devices or they are not showing up.
Example int errorResult = DAQmxResetDevice("Dev1");. Examples were tested under Linux 32bit (kernel 2632) NIDAQmx 802 and Windows 7 32bit NIDAQmx 14 on cards NI PCI6250;. LabVIEW is a systems engineering software for applications that require test, measurement, and control with rapid access to hardware and dat.
Overview The example shows the usage of the read master SPI data on a single line (MOSI) in NI MSeries DAQ Description This simple VI would demonstrates how to use the read on a single line of the SPI, which includes the utilization of the convert array and DAQmx functions Steps to implement or. LabVIEW Academy Instructor It is highly recommended that you teach this content if your students will be taking the CLAD exam on or after February 1st, NIDAQmx was chosen because it can be simulated on all versions of LabVIEW If you have access to LabVIEW, you have the resources to prepare for the exam. DAQmx is the Hardware Driver needed in order to use hardware devices like NI USB6008, NI TC01, etc inside LabVIEW The module is available as a palette on your block diagram LabVIEW This is the core LabVIEW installation that installs the LabVIEW Programming Environment This module is a textbased tool that is very similar to MATLAB The syntax.
Starting with an Example (recommended) Launch LabVIEW Navigate to Help >> Find Examples which will launch the NI Example Finder Confirm you are in the Browse tab and navigate through the folders Hardware Input and Output >> DAQmx Navigate to the folder for you application needs. C# NET To perform a DAQmx reset or selftest in C# you must first have a Device object for your DAQ device and then you can call the reset or selftest functions on the Device object DAQmx Reset Function prototype void DeviceReset();. NIDAQmx supports both analog and digital triggers · Analog Trigger – The level and slope of an analog signal triggers the acquisition (Figure 1)In such a system, analog trigger circuitry (ATC) on the DAQ hardware continuously monitors the analog signal to determine if it satisfies the trigger conditions.
About The nidaqmx package contains an API (Application Programming Interface) for interacting with the NIDAQmx driver The package is implemented in Python This package was created and is supported by NI The package is implemented as a complex, highly objectoriented wrapper around the NIDAQmx C API using the ctypes Python library nidaqmx 05 supports all versions of the NIDAQmx driver. To learn about which NIDAQmx VIs are most commonly used when creating a NIDAQmx data acquisition application, see Learn 10 Functions in NIDAQmx and Handle 80% of your Data Acquisition Applications For help with NIDAQmx VIs, refer to DAQmx Data Acquisition VIs and Functions For general help with programming in LabVIEW, refer to LabVIEW Help. This video tutorial shows how to take basic data acquisition measurements using LabView and a National Instruments DAQ6009This video tutorial was made for.
When trying to open some examples to use the TC01, labview tries to find these files but can't find them DAQmx Read (Analog DBL 1Chan Samp)vi DAQmx Create Channel (AITemperatureThermocouple)vi DAQmx Create Virtual Channelvi DAQmx Clear Task DAQmx Readvi I don't seem to have those files on my disk. Changing the sampling rate;. Some examples are Intuitive GUI (Front Panels) Add Units, Use Controls and Indicators from the same Palette, Resizing the Window size, Structured Code (Block Diagram) Make and use SubVIs, Avoid Spaghetti Code, Resizing the Window size, Use Labels, Always.
Reusing a DAQmx task is better than starting a new one Reusing a task is possible for the following conditions Adding channels to the task;. Example 1 Logging a Temperature Signal You can use LabVIEW SignalExpress to log signals you acquire from various devices and instruments The following procedure describes how to log a temperature signal from an NIDAQmx device This example assumes you have a thermocouple temperature sensor connected to physical channel ai0 of an NIDAQmx device. One thing that troubles me about DAQmx is the lack of safety between the type of acquisition and the DAQmx reads, which manifests itself in run time errors For example, you may have set up buffered acquisition when you create your virtual channel, but that doesn't stop you from wiring a single point DAQmx read up to your task, resulting in.
On the newly created window, Change the Tab to Search Enter DAQmx and DoubleClick the result Choose the examples that you would like to use. LabVIEW is shipped with some example VIs that demonstrate how to write data using the DAQmx API For most LabVIEW projects, especially when you are new to LabVIEW, it is beneficial to start from a working example and modify the code to fit your needs See the following locations for the Digital Output shipping examples in NI Example Finder Hardware Input and Output > Digital Output. LabVIEW SignalExpress 2x or later NIDAQmx (Refer to the LabVIEW SignalExpress Readme for versions of NIDAQmx that support using the DAQ Assistant in LabVIEW SignalExpress) A data acquisition (DAQ) device, physical or simulated, that is supported by NIDAQmx and is connected to a voltage signal.
DAQmx Examples These examples show you how to interact with National Instruments devices using MATLAB The focus is Vidrio's free DAQmx wrapper, dabsnidaqmx Also supplied are some contrasting examples using The Mathworks Data Acquisition Toolbox All examples require a Windows machine The dabsnidaqmx wrapper. Working in The generated code is a simple NIDAQmx example that you can then modify for your application Configuration—Generates the code that replicates the configuration of the tasks and channels LabVIEW replaces the DAQmx task name control with a subVI that contains VIs and property nodes used for. Programming examples for signal acquisition and generation in Labview 5 Onetime only periodical sampling of analog signal(s) An example of a Labview program for onetime periodical sampling of an analog signal is given in Fig 2 The samples are taken at regular time intervals, it has been selected to take 1000 samples of a.
Starting with an Example (recommended) Launch LabVIEW Navigate to Help >> Find Examples which will launch the NI Example Finder Confirm you are in the Browse tab and navigate through the folders Hardware Input and Output >> DAQmx Navigate to the folder for you application needs. To run examples without hardware installed, you can use an NIDAQmx simulated device In MAX,. 如果您从我们的网站下载了DAQmx安装文件,请确保从功能树( 应用程序开发支持 » LabVIEW支持 )中选择安装LabVIEW支持 。 如果您之前已经将DAQmx安装在计算机中: 如果在最初的DAQmx安装期间未安装范例,则可以使用“添加或删除程序”修改安装。添加支持:.
DAQmx is the Hardware Driver needed in order to use hardware devices like NI USB6008, NI TC01, etc inside LabVIEW The module is available as a palette on your block diagram LabVIEW This is the core LabVIEW installation that installs the LabVIEW Programming Environment This module is a textbased tool that is very similar to MATLAB The syntax. To check the version of NIDAQmx and LabVIEW installed on your system, reference KnowledgeBase 4W1GE4NC Also, you must install NIDAQmx with ADE Support to get the LabVIEW API and the examples Installing NIDAQmx variants such Core, RunTime or Configuration Support will not install the LabVIEW API, or the examples per KnowledgeBase 619L79ZK. Working in The generated code is a simple NIDAQmx example that you can then modify for your application Configuration—Generates the code that replicates the configuration of the tasks and channels LabVIEW replaces the DAQmx task name control with a subVI that contains VIs and property nodes used for.
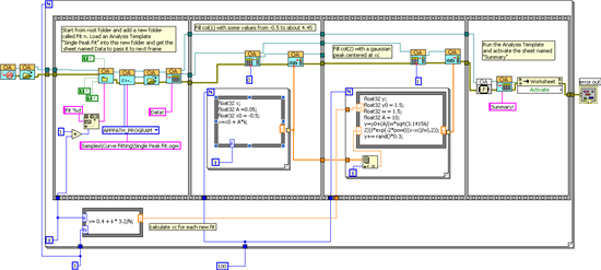
The LabVIEW RealTime Control (NIDAQmx) sample project uses NIDAQmx code to implement deterministic, softwarebased control of a plant The control algorithm runs on a realtime controller that reads data from DAQ input channels and writes data to DAQ output channels You send commands and setpoint changes to the control algorithm from the user interface that runs on a desktop computer. The USB6008 uses the NIDAQmx driver software and is compatible with LabVIEW (but also C#, MATLAB, etc) You should watch the Videos/Tutorials below for each topic Make sure to actually do the examples by yourself in LabVIEW In the video below you learn how to use the USB6008 in LabVIEW USB6008 in LabVIEW (Video). Example of writing a data acquisition program in LabVIEW Writing programs in LabVIEW can be made relatively simple if the built in functions and examples are exploited This page shows one way of doing this for a data acquisition program The program is intended to be used to calibrate a sensor.
You are also asked to study your first module out of the Data Acquisition Using NIDAQmx and LabVIEW course Be careful which module you view here as I am asking you to watch the first module in the DAQmx section of this course This module gives a rather indepth overview of how to use the DAQmx API. An example of this kind of application is a digital I/O control loop The application monitors the state of several discrete inputs and toggles the corresponding output based on the control algorithm Hardware timing is not available for singlepoint digital I/O tasks in NIDAQmx Timing Diagram. The NIDAQmx installer has some examples set to install by default If you find the examples missing you may follow these recommendations If you are installing NIDAQmx on your computer for the first time If you are installing these files as part of the original DAQmx installation with LabVIEW, then you will be prompted to restart your.
Solved Error 0303 Coordinating Daq Devices Ni Community
Learn Labview And Daq With The Emant Daq Kits

Example Daq Vi
Example Of Writing A Data Acquisition Program In Labview

Learn 10 Functions In Ni Daqmx And Handle 80 Percent Of Your Data Acquisition Applications Ni

Learn 10 Functions In Ni Daqmx And Handle 80 Percent Of Your Data Acquisition Applications Ni

Help Online Origin Help Use National Instruments Labview As A Client Application

Labview Example Hardware Timed Simultaneously Updated I O With Data Exchanges Between Time Critical And Non Time Critical Loops Ni Daqmx Key Concepts Documentation

Help Online Origin Help Use National Instruments Labview As A Client Application

Usb Daq 8 Channels Thermocouple Temperature Acquisition Card 8tc 8do 4di 2pwm Optional Labview Example Auto Save As Excel Usb Thermocouple Thermocouple Typetype Thermocouple Aliexpress

Learn 10 Functions In Ni Daqmx And Handle 80 Percent Of Your Data Acquisition Applications Ni

Ni Mydaq Tutorials

Sci Consulting

Learn 10 Functions In Ni Daqmx And Handle 80 Percent Of Your Data Acquisition Applications Ni
How The Sequence Of Output Of Analog Signals In Labview Eehelp Com

Example Of Writing A Data Acquisition Program In Labview

Techteach A Quick Guide To National Instruments Usb 6009 And Usb 6008 Multifunction I O Devices

Labview Real Time Version 6 1 Release Notes Manualzz

Learn 10 Functions In Ni Daqmx And Handle 80 Percent Of Your Data Acquisition Applications Ni

Labview Example Hardware Timed Simultaneously Updated I O Ni Daqmx Key Concepts Documentation

Labview Pxi Programming Danafosmer Com

Learn 10 Functions In Ni Daqmx And Handle 80 Percent Of Your Data Acquisition Applications Ni

Labview For Data Acquisition Mihura Bruce Amazon Com Books

Example Of Writing A Data Acquisition Program In Labview

Techteach National Instruments Usb 6008
Ni Daqmx Express Vi Tutorial National Instruments

Dice Game Program Hints

Assembling Test Software Virtually Evaluation Engineering

Techteach National Instruments Usb 6008
Getting Started With Digital Output And Usb 6211 Ni Community

How To Synchronous Analog Digital And Encoder Measurements In Labview
Http Read Pudn Com Downloads125 Doc Daq Resource Kit Learn 10 functions in ni Daqmx and handle 80 percent of your data acquistition applications Pdf

Labview Example Hardware Timed Counter Tasks Ni Daqmx Key Concepts Documentation

Labview Tutorial Data Acquisition Youtube

Learn 10 Functions In Ni Daqmx And Handle 80 Percent Of Your Data Acquisition Applications Ni

How To Synchronous Analog Digital And Encoder Measurements In Labview

Digital Example Vi Labview Graphical Programming Course Openstax Cnx

Getting Started Continuous Voltage Measurement In Labview Matlab Examples

Learn 10 Functions In Ni Daqmx And Handle 80 Percent Of Your Data Acquisition Applications Ni

Adding Delay In Data Acquisition In Labview Stack Overflow

Labview Example Hardware Timed Simultaneously Updated I O Using The Timed Loop Ni Daqmx Key Concepts Documentation

Multiple Daq Writes Efficieny Labview General Lava

Labview Example Hardware Timed Counter Tasks Ni Daqmx Key Concepts Documentation

Learn 10 Functions In Ni Daqmx And Handle 80 Percent Of Your Data Acquisition Applications Ni

Labview In Automation

Labview Example Software Timed I O Ni Daqmx Key Concepts Documentation

Ni Daqmx Tasks Labview For Everyone Graphical Programming Made Easy And Fun 3rd Edition

Clad Exam Preparation Guide Using Lab View Nxg

Labview Example Hardware Timed Input Software Timed Output Ni Daqmx Key Concepts Documentation

Arduino Science Learnification

Help Online Labview Vi 6009 Simple Lv71

Techteach A Quick Guide To National Instruments Usb 6009 And Usb 6008 Multifunction I O Devices

Mydaq Examples Analog Input Youtube

Using Labview With Rs232 Or Rs485 Data Acquisition Interfaces

Measurements I Using The Modular Thermocouple Daq Labview Youtube

Using Ni Labview With Measurement Computing Daq Youtube
Iotech Labview Getting Started
Can I Use A Mask In Daqmx To Write To A Line In A Port As In Traditional Daq National Instruments

Ni Daqmx Multi Channel Data Acquisition Labview Program Youtube

Vi Logger Data Logging Software

Serial Rs232 Directly To A Usb Daq Eehelp Com

Labview World Daqmx When An Error Occurred In Usb Daq The Method To Restart It Programmatically

Example Of Writing A Data Acquisition Program In Labview

Learn 10 Functions In Ni Daqmx And Handle 80 Percent Of Your Data Acquisition Applications Ni

Labview Daq Ulx For Ni Labview Measurement Computing

Ni Labview Support

Labview I Can T Read The Voltage From More Than One Channel Daqmx Read Stack Overflow

Error Handling Strategies In Labview Control Software Solutions

Labview I Can T Read The Voltage From More Than One Channel Daqmx Read Stack Overflow

Labview Examples For U12 Windows Labjack
Ni Daqmx Express Vi Tutorial National Instruments
How To Search Daqmx Examples In Labview National Instruments

Programming Data Acquisition For Linux With Ni Daqmx Base National Instruments

Example Of Writing A Data Acquisition Program In Labview
How To Dynamically Change The Sampling Rate In Daq Assistant National Instruments

Application Case 6 Hardware Timed Simultaneously Updated I O Using The Timed Loop
Directions For Installing Ni Daqmx Tof Ams Daq

Measuring Multiple Voltages In Labview W Usb 6001 Stack Overflow
Example Of Writing A Data Acquisition Program In Labview
Http Www Pages Drexel Edu Pyo22 Mem639 Lab Usb6211countersandtimers Lab Usbcountersandtimers0107 Pdf

Labview Programmer Developer Certified Expert
Sampling Multiple Channels Of Unique Cdaq Module Eehelp Com

Labview Application Examples
Learn 10 Functions In Ni Daqmx And Handle 80 Percent Of Your Data Acquisition Applications Ni

Labview Daq Drivers For Mac Fullpacconstruction

Ni Elvismx Instrument Launcher And Last They Can Build Their First Download Scientific Diagram
Labview Application Only Works On A Single Daq Card Eehelp Com

Introduction To Data Acquisition
Www Halvorsen Blog Documents Programming Labview Resources Powerpoint Introduction to daq with labview overview Pdf
Www Fmf Uni Lj Si Ponikvar Pdfji Ni6211 Eng2 Pdf

Techteach A Quick Guide To National Instruments Usb 6009 And Usb 6008 Multifunction I O Devices

Labview Daq Assistant For Analog Io Youtube

Basic Data Acquisition Using Labview Youtube

Learn 10 Functions In Ni Daqmx And Handle 80 Percent Of Your Data Acquisition Applications Ni